TOP
JZQ型圆柱齿轮减速机 - 江苏武运传动机械有限公司,常州减速机 江苏传动机械,常州电动滚筒,减速滚筒,摆线针轮减速机,带式传输机,传动机械,摆线针轮减速机,丝杆升降机,电动滚筒
首页
公司介绍
厂区实景
新闻中心
产品展示
联系武运
English
传动机械
>> JZQ型圆柱齿轮减速机
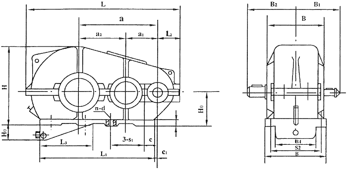
JZQ型圆柱齿轮减速机
点击数:11564 录入时间:2007/11/11 【
打印此页
】 【
关闭
】
上一个产品:
WZ 型外装式摆线电动滚筒
下一个产品:
ZD、ZL、ZS软齿面减速机 中心距、速比齐全
返回上级产品
武运产品分类
传输机系列
带式输送机
TD75型通用带式输送机
DTII型、DTII(A)固定式带式输送机
DJ型、DJII型大倾角挡边输送机
移动式带式输送机
螺旋输送机
输送机主要配件展示
TD75型通用带式输送机部件
DTⅡ型固定式带式输送机部件
电动滚筒系列
YD(TDY75)型油冷式电动滚筒
YZ 型油浸式电动滚筒
BYD、BYDN型摆线针轮油冷式电动滚筒
WD(II)系列外装式减速滚筒
WD型外装式电动滚筒
DY-1型油冷式电动滚筒
电动滚筒的选用注意事项
电动滚筒的使用与维修
减速机系列
摆线针轮减速机(双级)
单级摆线针轮减速机